
12年專注精密減速機生產、銷售廠家





| JVF系列標注說明 | ||||||
| 產品系列 | 產品規格 | 級數 | 傳動比 | 背隙 | 輸出形式 | 備注 |
| JVF | 60 | L1 | 5 | P1 | ||
| 60 90 120 |
L1:=1級 L2:=2級 |
L1: 3 4 5 7 10 L2: 9 12 15 16 20 25 30 35 40 50 70 100 |
P1=精密間隙 P2:標注間隙 |
S1=光軸輸出 無:帶鍵輸出 |
電機制造商及規格型號。可以直接提供輸出連接尺寸 | |

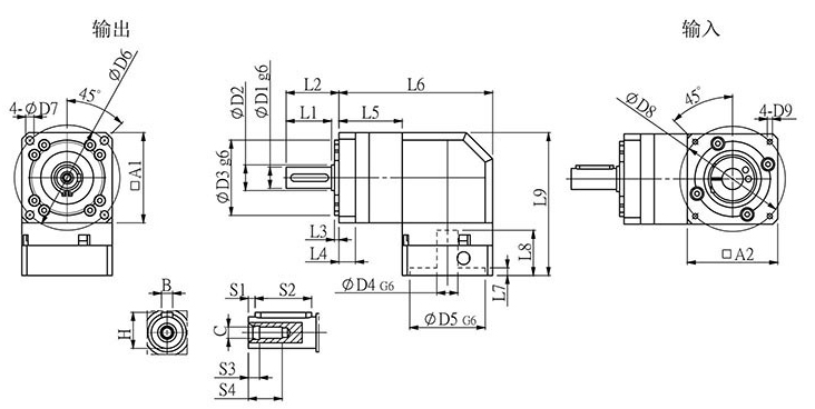
| JVF60-L1 | ||||||||||||||||||||||||||||
| D1 | D2 | D3 | D4 | D5 | D6 | D7 | D8 | D9 | L1 | L2 | L3 | L4 | L5 | L6 | L7 | L8 | L9 | A1 | A2 | S1 | S2 | S3 | S4 | B | H | C | ||
| 14 | 17 | 50 | 14 | 50 | 70 | 5.5 | 70 | M4 | 30 | 35 | 3 | 11 | 42 | 102 | 4 | 40 | 95 | 60 | 60 | 3 | 20 | 6 | 18 | 5 | 16 | M5 | ||
| 客戶定制 | ||||||||||||||||||||||||||||
